分析・編集・補正:CAM
● 厳選した機能で、電子デバイスの製造プロセスを最大限支援いたします。
● 状況に応じたDRC/MRC機能に加え、ユーザーが独自に設定できるカスタムDRCで、
手戻りや歩留まりを改善し、製造コストを削減します。
■ DRC/MRC
チェックのレベルによって、簡易、詳細、カスタムの3種類の設定が選択できます。
さらに、特定の検査が追加が必要な時、プログラミングで随時追加する事ができます。
■ データ・クリーニング
利用するデータの不備を検出し、状態に見合った適正なデータに変換します。
次工程のパフォーマンスを飛躍的に向上させることができます。
■ 補正編集
製造工程における特別な各種補正機能を装備しています。
ものづくりにおける品質向上やコスト削減を実現します。
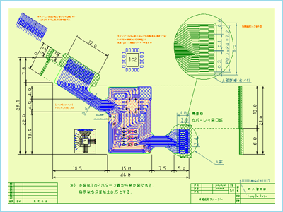
■ 図面作成
設計/製造データを利用した汎用図面を作成する便利機能が標準で装備されています。
打合せ、設計承認、製造工程、製品添付などに付随する正規図面を作成できます。
⇒ ご質問/資料請求
















